控制元件 — 4A系列氣控閥
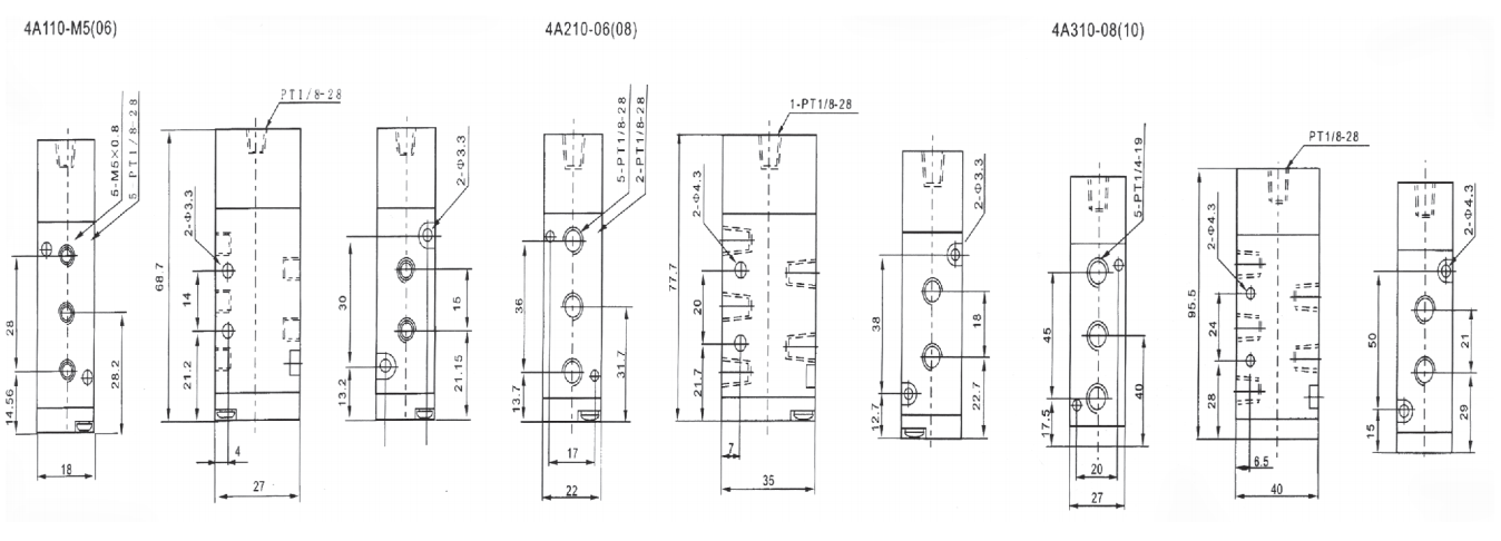
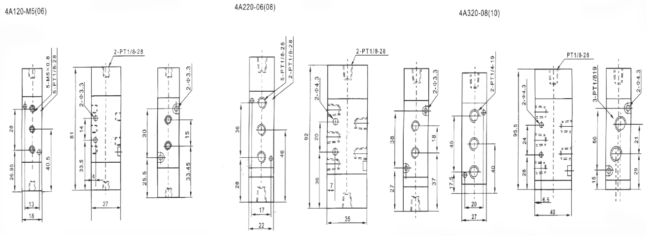
訂貨型號

技術參數
| 型號 | 接管口徑 Rc(G) | 動作方式 | 位通數 | 使用壓力范圍 MPa | ||
| 4A110 | M5 | M5 | 外部氣控式 | 二位三通 | 0.15-0.8 | |
| 6 | 1/8" | |||||
| 4A120 | M5 | M5 | ||||
| 6 | 1/8" | |||||
| 4A210 | 6 | 1/8" | ||||
| 8 | 1/4" | |||||
| 4A220 | 6 | 1/8" | ||||
| 8 | 1/4" | |||||
| 4A310 | 8 | 1/4" | ||||
| 10 | 3/8" | |||||
| 4A320 | 8 | 1/4" | ||||
| 10 | 3/8" | |||||
| 4A410 | 15 | 1/2" | ||||
| 4A420 | 15 | 1/2" | ||||
| 4A130 | M5 | M5 | 三位五通 | 0.15-0.8 C:中央封閉 E:中央排氣 P:中央加壓 | ||
| 6 | 1/8" | |||||
| 4A230 | 6 | 1/8" | ||||
| 8 | 1/4" | |||||
| 4A330 | 8 | 1/4" | ||||
| 10 | 3/8" | |||||
| 4A430 | 10 | 3/8" | ||||
| 15 | 1/2" | |||||
| 符號7型號 | 4A110-M5 | 4A110-06 |
| A | M5x0.8 | G1/8 |
| B | 27 | 28 |
| C | 14.6 | 14.1 |
| D | 0 | 2 |
| E | 30 | 30 |
| F | 13.1 | 13.1 |
| G | 0 | 3 |


